奎屯-独山子经济技术开发区
政府信息公开
政府信息公开指南
政府信息公开制度
法定主动公开内容
政策文件
政策解读
领导信息
权责清单
公开招聘
政府信息公开年报
依申请公开
索引号:MB119306X/2026-00001
发文字号:〔〕号
公文种类:
发文机关:
成文日期:
主题分类:
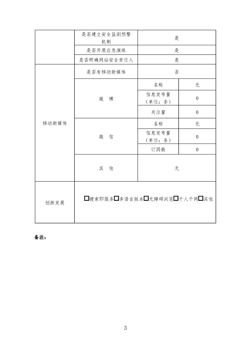
奎屯—独山子经济技术开发区2025年度政府网站工作报表
发布时间:2026-01-07 点击:[
次] 【字体:
大
中
小
】
信息公开目录